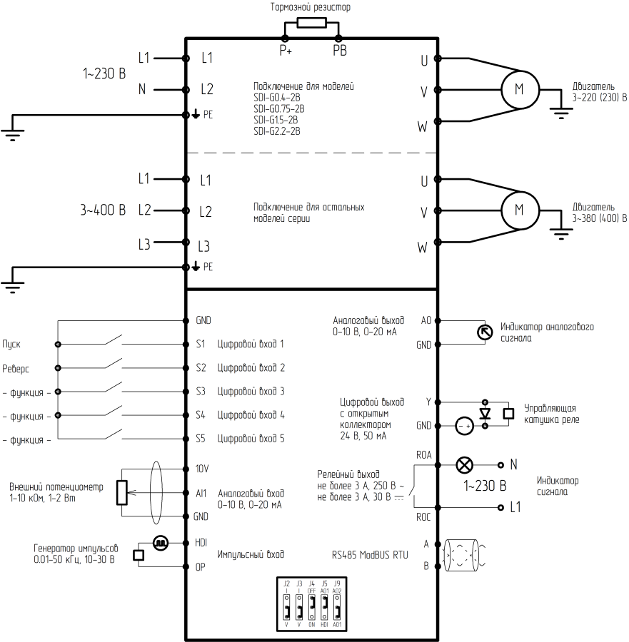
Преобразователи частоты серии SDI от INSTART — компактные и надежные устройства мощностью от 0,4 до 4 кВт, предназначенные для управления электродвигателями. Они обеспечивают простое и экономически эффективное решение для автоматизации промышленного оборудования. Благодаря компактным размерам и встроенному монтажному комплекту (кабель длиной 1,5 м) установка занимает минимум времени. Устройства поддерживают векторное управление для точного контроля скорости и момента двигателя, а также позволяют выбирать до 16 скоростей с возможностью применения четырех алгоритмов разгона/торможения.
Управление осуществляется через дискретные входы/выходы, коммуникационный протокол MODBUS RTU (RS 485) или с панели управления. Встроенные функции включают два ПИД-режима регулирования, работу с датчиками по аналоговым входам 0/4–20 мА или 0–10 В, а также наличие тормозного модуля для повышения безопасности. Защита электродвигателя реализована от перегрузок, короткого замыкания и других аварийных ситуаций. Модели оснащены IGBT-модулем (кроме SDI–G4.0-4B). Гарантия 3 года.
Оплата:
- Приобрести климатические системы и оборудование можно с помощью безопасного онлайн-платежа через систему Сбербанк .
Доставка:
- Доставка товара осуществляется по всей России. Точный срок и стоимость уточняются при оформлении заказа.



