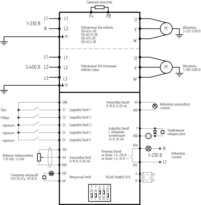
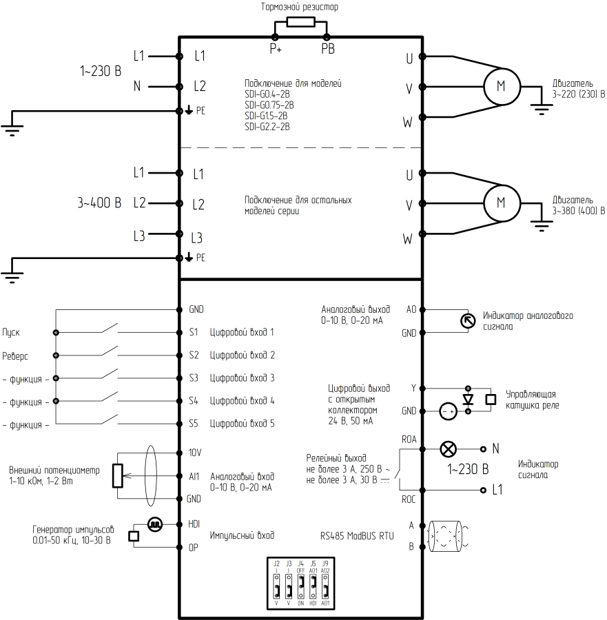
Преобразователи частоты серии SDI– это одни из самых компактных и простых устройств в управлении электродвигателями в линейке преобразователей частоты INSTART. Надежные преобразователи частоты мощностью от 0,4 до 4 кВт представляют собой простое и экономически эффективное решение для управления электродвигателем. Компактные размеры Векторное управление Гарантия 3 года Векторное управление Управление через входы/выходы, коммуникационный протокол или с панели управления Два режима ПИД-регулирования Встроенный тормозной модуль Программирование параметров Выбор до 16 скоростей с возможностью применения четырех алгоритмов разгона/торможения Работа от датчика по аналоговому входу 0/4-20 мА (0-10 В) Встроенный протокол MODBUS RTU (RS 485) IGBT модуль (кроме модели SDI–G4.0-4B) Защита электродвигателя от перегрузок, короткого замыкания и других неблагоприятных факторов Монтажный комплект (1,5 метра) входит в комплект базовой поставки
Оплата:
- Приобрести климатические системы и оборудование можно с помощью безопасного онлайн-платежа через систему Сбербанк .
Доставка:
- Доставка товара осуществляется по всей России. Точный срок и стоимость уточняются при оформлении заказа.



